Sensore di misurazione della forza piezoelettrica a quarzo ad alta frequenza 55 kHz
|
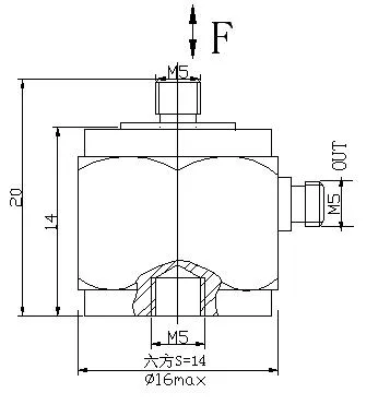
Caratteristiche:
- Sensore di forza piezoelettrica a quarzo
- Capacità 0-1kN
- 4pC/N sensibilità
- Frequenza di risonanza di 55 kHz
- Materiale di alloggiamento in acciaio inossidabile
- Impianto M5
- Accuratezza di 1% FS
Descrizione: La cella di carico a quarzo da 1kN è un trasduttore di forza di compressione di alta qualità progettato per applicazioni di misurazione della forza accurate.questa cella di carico offre una gamma di capacità da 0 a 1 kN e una sensibilità di 4 pC/NL'alloggiamento in acciaio inossidabile garantisce durata e affidabilità in vari ambienti industriali.con una frequenza di risonanza di 55 kHz e una precisione di 1% FS, la cella di carico Qua da 1kN fornisce misurazioni di forza precise e coerenti per le esigenze aziendali.
|
 |
Per favore contattaNoi.per i prodotti dettagli e catalogo- Sì.
| Parametri statici |
|
| Sensibilità(20 ± 5 °C) |
4pC/N |
| Intervallo di misura |
0- altri1,000N |
| Capacità di sovraccarico |
150% |
| Linearità |
<1%F·S |
| Isteresi |
<1%F·S |
| Ripetibilità |
<1%F·S |
| Capacità |
7pF |
| Resistenza dell'isolamento |
>1013Ω |
| Parametri dinamici |
|
| Frequenza di risonanza |
> 55KHz |
| Intervallo di temperatura di funzionamento |
- Quaranta.~+200oC |
| Parametri fisici |
|
| Peso |
16 g |
| Materiale di alloggiamento |
Acciaio inossidabile |
| Installazione |
M5 |
| Materiale sensibile |
Quarzo |
| Metodo di uscita |
L5 |
| Appendice |
|
| QC |
Specificità calibrate |
| Proteggere il coperchio |
1pcs |
| Cavo di connessione |
Ddi cui al paragrafo 1 Cavo a basso rumore L5x 2m |
|
Informazioni sulle società
Xi'an Ruijia Measuring Instruments Co., Ltd. è un produttore di sensori di forza e prodotti correlati, dedicato a fornire soluzioni di alta qualità per vari settori.Con un impegno per l'innovazione, affidabilità e precisione, ci siamo affermati come un partner di fiducia per le imprese di tutto il mondo.
Fondata nel 2005, abbiamo accumulato anni di esperienza nel campo della tecnologia di pesatura, che ci consente di fornire prodotti su misura per le esigenze dei nostri clienti.La nostra gamma di prodotti comprende una selezione completa di celle di caricoOffriamo una vasta gamma di prodotti di pesatura adatti all'automazione industriale, alla logistica, ai trasporti, alla sanità, al commercio al dettaglio,e di più.
In Xi'an Ruijia Measuring Instruments Co., Ltd, siamo orgogliosi della nostra competenza tecnologica e della dedizione al miglioramento continuo.Il nostro team di ingegneri qualificati si impegna a sviluppare soluzioni innovative che spingono i confini della tecnologia di pesatura, garantendo che i nostri prodotti soddisfino i più alti standard di prestazioni e precisione.I nostri prodotti sono utilizzati da aziende di tutte le dimensioni, dalle piccole imprese alle multinazionali, sia nei mercati nazionali che internazionali.
La qualità è al centro di tutto ciò che facciamo. Aderiamo a rigorose misure di controllo della qualità durante tutto il processo di produzione per garantire che i nostri prodotti soddisfino o superino gli standard del settore.Il nostro impegno per la qualità ci ha fatto guadagnare una reputazione di affidabilità ed eccellenza tra i nostri clientiInoltre, la soddisfazione del cliente e' la nostra priorita', offriamo un servizio completo al cliente e supporto, inclusa consulenza tecnica, assistenza pre-vendita e servizio post-vendita.per garantire un'esperienza senza soluzione di continuità per i nostri clienti.
Con un focus sull'innovazione, la qualità e la soddisfazione del cliente, Xi'an Ruijia Measuring Instruments Co., Ltd. è il vostro partner di fiducia per tutte le vostre esigenze di sensori di pesatura. Contattateci oggi!
I nostri vantaggi


Domande frequenti
Q1: Come si controlla la qualità?
R: Abbiamo una squadra di controllo qualità che rispetta la TQM, ogni passo è conforme agli standard. Allo stesso tempo, faranno foto e riprenderanno video per voi.
D2: Puoi stampare il nostro marchio sul prodotto?
R: Sì, certo. Può fare il logo del cliente.
Q3: Quali sono le condizioni di pagamento?
A: T/T, L/C, ecc.
Q4: Quanto dura il periodo di garanzia?
R: Il nostro periodo di garanzia è di 12 mesi.